Features
The product turned out to be extremely difficult to use:
Розробити, поставити і налагодити пакувальну лінію
Крім самого фасування клієнту потрібно було:
- попередньо змішувати кілька компонентів;
- подрібнювати отриману суміш до однорідного стану перед фасуванням;
- і при цьому максимально виключити розсіювання пилу.
Рішення від OMELA
Ми розробили і спроектували антипилову лінію, об'єднавши в одному технологічному рішенні процеси змішування, дроблення і фасування.
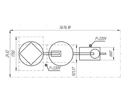
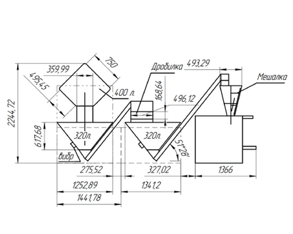
Структура лінії:
- Змішувач
	"п'яна бочка"
 - Кубічної форми, зі зміщеною віссю обертання.
 - Забезпечує якісне та рівномірне змішування всіх компонентів.
- 	
	Механізм
	вивантаження
 - Змішувач встановлений на напрямних і після завершення циклу наїжджає на завантажувальний транспортер, скидаючи всю партію продукту.
- 	
	Перший
	шнековий транспортер
 - Переміщує продукт через дробарку, подаючи його порційно, що забезпечує ефективне подрібнення і запобігає утворенню комків.
- 	
	Другий
	транспортер-накопичувач
 - Служить буфером між дробаркою і фасувальною ділянкою.
 - Обладнаний вібромоторами, які запобігають налипанню продукту на стінки.
- 	
	Фасувальний
	напівавтомат для клапанних мішків
 - Оснащений вбудованою мішалкою в бункері, що особливо важливо для важкосипких сумішей.
 - Забезпечує точне дозування 5,5 кг у кожен мішок.
Додаткові особливості:
- Антипилова конструкція: всі ділянки лінії були спроектовані з урахуванням мінімізації запилення.
- Ротаційні датчики: підібрані спеціальні моделі, здатні стабільно працювати в умовах запиленості, для автоматизації подачі та фасування.
- Вібромотори: встановлені на транспортерах, забезпечують стабільну подачу і запобігають залипанню продукту.
Результат:
- Клієнт отримав комплексне, індивідуально розроблене рішення, що закриває всі етапи
- від підготовки суміші до фасування.
- Лінія стабільно працює з одним із найбільш примхливих за властивостями продуктів.
- Весь процес організовано з урахуванням вимог до чистоти та безпеки на виробництві.
 
     
     
     
     
     
    