Линия для фасовки пылящей химической смеси на основе графита

liniya-dlya-fasuvannya-letyuchoji-himichnoji-sumishi-na-osnovi-grafitu-shcho-pilit

Особенности

Продукт оказался крайне сложным в работе:

  • Трудносыпучий
  • Очень пылящий
  • При смешивании компонентов склонен слеживаться в комки

Кроме самой фасовки клиенту нужно было:

  • предварительно смешивать несколько компонентов;
  • измельчать полученную смесь до однородного состояния перед фасовкой;
  • и при этом максимально исключить рассеивание пыли.

Решение от OMELA

Мы разработали и спроектировали антипылевую линию, объединив в одном технологическом решении процессы смешивания, дробления и фасовки.

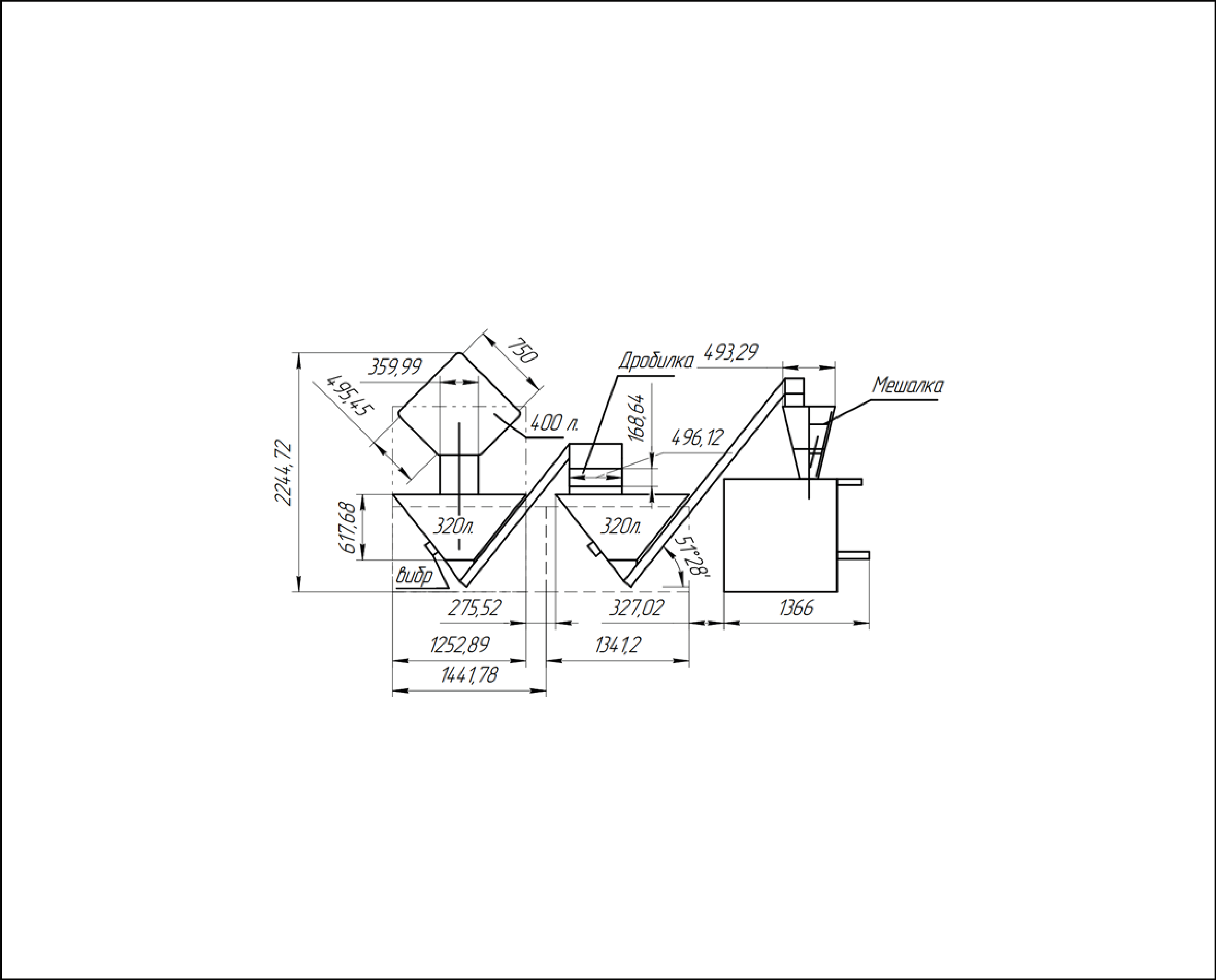
Структура линии:

  1. Смеситель “пьяная бочка”
    • Кубической формы, со смещённой осью вращения.
    • Обеспечивает качественное и равномерное смешивание всех компонентов.
  2. Механизм выгрузки
    • Смеситель установлен на направляющих и после завершения цикла наезжает на загрузочный транспортер, сбрасывая всю партию продукта.
  3. Первый шнековый транспортер
    • Перемещает продукт через дробилку, подавая его порционно, что обеспечивает эффективное измельчение и предотвращает образование комков.
  4. Второй транспортер-накопитель
    • Служит буфером между дробилкой и фасовочным участком.
    • Оборудован вибромоторами, которые предотвращают налипание продукта на стенки.
  5. Фасовочный полуавтомат для клапанных мешков
    • Оснащён встроенной мешалкой в бункере, что особенно важно для трудносыпучих смесей.
    • Обеспечивает точную дозировку 5,5 кг в каждый мешок.

Дополнительные особенности:

  • Антипылевая конструкция : все участки линии были спроектированы с учетом минимизации пыления.
  • Ротационные датчики : подобраны специальные модели, способные стабильно работать в условиях запылённости, для автоматизации подачи и фасовки.
  • Вибромоторы : установлены на транспортёрах, обеспечивают стабильную подачу и предотвращают залипание продукта.

Результат:

  • Клієнт отримав комплексне, індивідуально розроблене рішення, що закриває всі етапи
  • від підготовки суміші до фасування.
  • Лінія стабільно працює з одним із найбільш примхливих за властивостями продуктів.
  • Весь процес організовано з урахуванням вимог до чистоти та безпеки на виробництві.

liniya-dlya-fasuvannya-letyuchoji-himichnoji-sumishi-na-osnovi-grafitu-shcho-pilit
Похожий случай?
liniya-dlya-fasuvannya-letyuchoji-himichnoji-sumishi-na-osnovi-grafitu-shcho-pilit
Похожий случай?

Обсудим ваш проект?

Выведите ваше производство на новый уровень эффективности.

Свяжитесь с нами

Оставьте сообщение нашему специалисту для разработки индивидуального решения.